The HP3000 series hydraulic cylinders are designed to operate in the most demanding conditions at nominal pressures of 3,000 psi. The cylinders are available in bore sizes ranging from 1 1/2 to 14 in 18 different N.F.P.A. mountings. They are perfectly interchangeable with any other cylinders in the same product category. Consult factory for larger bores. The materials used to manufacture RDC Contrôle Ltée cylinders are selected from the best quality available. The HP3000 series components are manufactured with the latest sophisticated precision equipment. Each cylinder is assembled and individually tested under strict quality conditions.
- Type: High pressure hydraulic cylinder conformed to N.F.P.A. specifications and ANSI B93.15-1981.
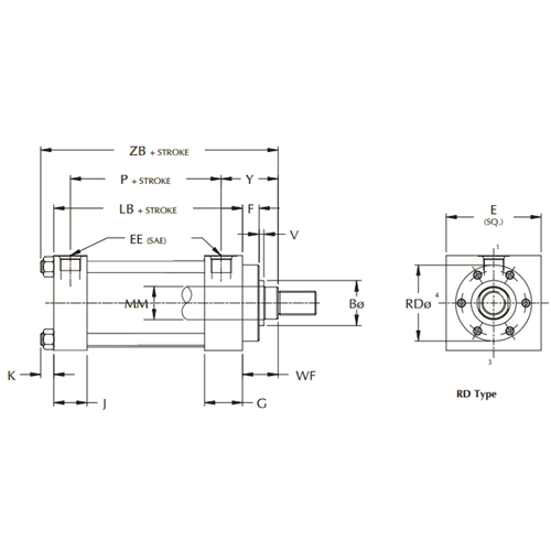
- Construction: Square steel head and cap, steel barrel tubing with polished i.d., tie rod assembled, removable bronze cartridge type gland bushing.
- Operating pressure: 3000 PSI (restrictions on some mountings).
- Operating temperature: -30°C to 80°C (-30°F to 180°F). Up to 250°C (450°F) for viton seals. Low temperature seals also available.
- Standard bore size: 9 bore sizes from 1 1/2” to 8”*. Larger bore sizes to 14”. Consult factory for dimensions.
- Standard rods: 5/8”, 1”, 1 3/8”, 1 3/4”, 2”, 2 1/2”, 3”, 3 1/2”, 4”, 4 1/2”, 5”, 5 1/2” *.
- Stroke: All increments up to 120”*.
- Cushions: Both cushions are optional and are available at either one end or both ends. End of stroke cushioning is fully adjustable.
| Series | Hydraulic Cylinders |
| Type | RD Type |
| Bore Size | 4" |
| Rod Dia | 1 3/4 STD |
| Piston Rod End Style | End style #1 ( Small male rod end) |
| Thread | SAE-12 |
| Drawing | Download |
| Isometric View | Download |
| Front View | Download |
| Top View | Download |
| Side View | Download |
